ARDUINO PROJECT: MOSFET tests
16 ARDUINO PROJECT: MOSFET tests
i think i got lucky when i build the first RGB PWM mosfet circuit,
so now i want to do some more testing.
using for test the MENU program in ARDUINO,
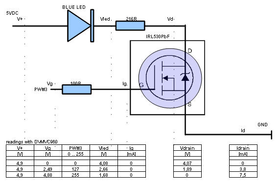
and as hardware first only one blue LED, a 220ohm resistor, and the MOSFET (15A) IRL530PbF
with a gate resistor of 100ohm from Dout3 PWM
now this is the hardware running already in my uDUINO as RGB / DIMMER


when i tried to read / measure by arduino Ain,
the PWM signals only give me jumping values.
so i used the digital filter software to see something.
and using the HTERM as terminal software i could save the LOG as CSV file
and use the data in EXCEL
hope you can see the trend, the values are still jumping and the filter gives
an amplitude error and also a signal phase shift

compare with a test where PWM drives the LED, no MOSFET, function / LED is ramped down

Doing this internal measurements is the reason, why i start with this very low Volt and Amp / load for the mosfet
using automatic ramps and getting data as file is helpful.
with above data as ref. now i test the ( 5A ) IRL510 from same company

looks very good, so i think with my first test failed, i just blow the FET ( by soldering?)
and also try the ( 100A ) IRL2203NPBF

here find used menuprogram with testing-code
next will be a load test, but first need
-- bigger powersupply ( adjustable ?)
-- resistive load
-- some knowhow about cooler on MOSFET
like about that new TAPE ( dont need screw / thread in cooler / and heatsink conducting paste and mica )
but the PC specialists on this island did not hear about that cooler tape thing
-- want also test optoisolation in gate circuit.
