ARDUINO PROJECT: OPAMP AMPLIFIER
13 ARDUINO PROJECT: OPAMP AMPLIFIER
opamp amplifier for mV input to ARDUINO
using the opamp LM324N, a 4 channel version.
datasheet
data
with this simple circuit it is possible to use a range between
4 and 40mV to about 1V and 3V output
circuit
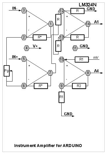
but actually i want to build a so called instrument amplifier
what i order already as a INA121
but first i try to build it with my existing LM324N,
using 3 opamps from it.
circuit
selecting R = 50k, R* = 25k, and Pg= 2k
should also give me a good range for 0 .. 50 mV
but using any Pg, from non resistor gain = 1 to any high value get only gain 1.7
with IN- to GND and IN+ to a voltage devider from 0 .. 0.050V .. 5V
with a new voltage devider GND_R81k_P10k_R81k_V5
i got better data

so its very usefull for a bridge application
Here now the test of the INA 121
datasheet


in general the use of offset or bridge or bipolar powersource is required to amplify mV signals
i will use a offset of 2.5V by voltage divider between the ARDUINO and OPAMP GND and 5V
to shift up the GND of a other powersupply where i want to read Volt (6 ..9VDC)
and Amp ( 0 .. 40ADC ) by a 50mV shunt ( at 50A)

Rm = 46K poti, RV = 82k resistor
tested on a breadboard still looks like that:

next is to build it on a ARDUINO proto typ shield
on top of the ethernet shield

the TMP36 is on a socket so it could be extended by a short 3 wire cable
and testing the mV and V inputs


but have a problem with the RJ45 on the ethernetboard

thats the arduino with ethernet shield and TMP_mV_shield on top
